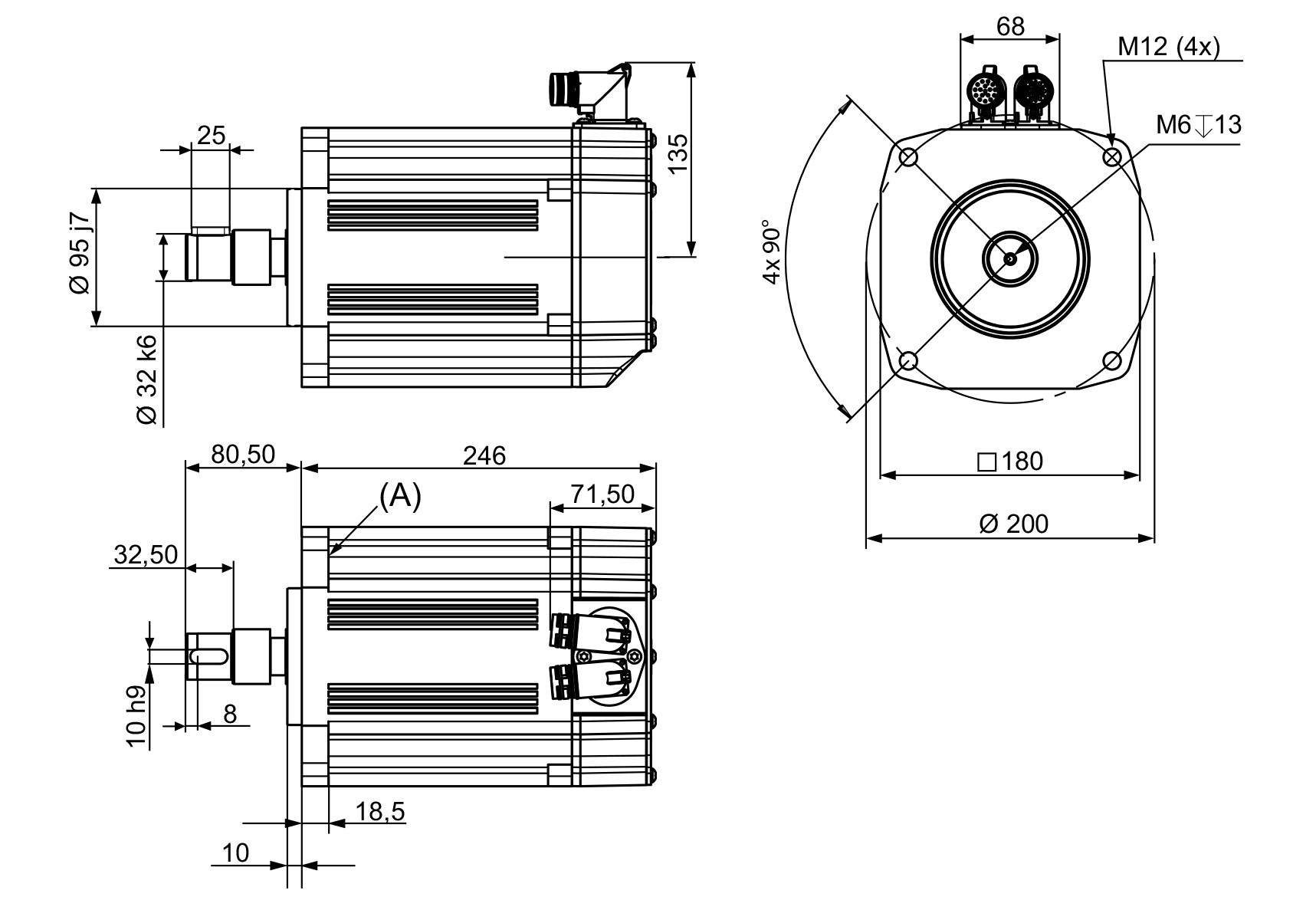
ABB外部軸電機MU400 3HAC040658-002

重量:23.8kg

尺寸:38*22*25cm

規格:石墨白4920W/10Nm

產地:中國

應用舉例:IRB6700機器人配置MU400伺服電機作導軌

ABB外部軸電機MU400 3HAC040658-002

 

ABB外部軸電機MU400 3HAC040658-002

 

ABB外部軸電機MU400 3HAC040658-002

 

ABB外部軸電機MU400 3HAC040658-002

ABB機器人對外軸的控制參數的調整的基本步驟

① 完成外軸的硬件安裝,如電機的安裝,SMB盒的安裝等;

② 向機器人控制器內加載外軸的臨時參數文件;

③ 對加載的臨時參數進行修改和配置,保證機器人此時能夠控制電機的轉動;

④ 如果客戶需要對電機有額外的設置,如抱匝、使能和里控制等,需要額外的配置和設置;

⑤ 等所有的參數設置都完成后開始電機參數的調整。

 

 

長科企業囤備的外部軸伺服電機型號:MU 80, MU 100, MU 200, MU 250, MU 300, MU 400,MTD 250, MTD 500, MTD 750, MTD 2000, MTD 5000,MID 500, MID 1000